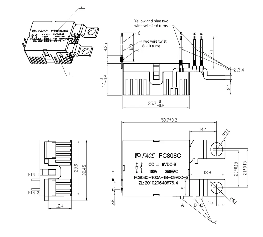
Nominale stroom:100A
Aandrijfspanningsbereik:6-48 V gelijkstroom
Bedrijfstemperatuur:-40°C tot 85°C
Materiaal:hoogwaardige, zeer sterke isolerende kunststof en goed aangepaste koperen koperen platen en contacten van zilverlegering
Afmetingen:kan naar wens worden aangepast, gedetailleerde maattekeningen verstrekken
















