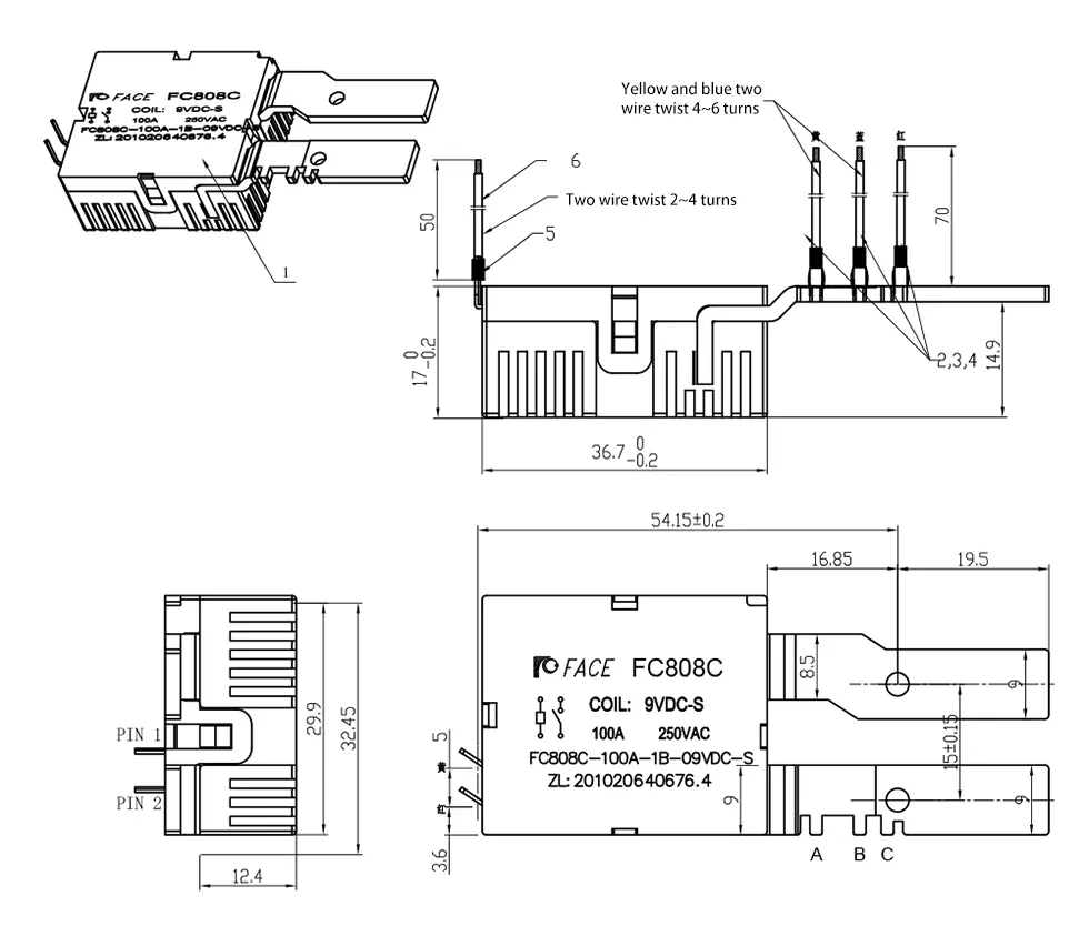
Type:100A eenfasig 4-pins railtype relais
Nominale stroom:100A
Aandrijfspanning:6VDC-48VDC
Bemonsteringsweerstand:200 micro-ohm (μΩ)
Installatiemethode:standaard DIN-railinstallatie
Bedrijfstemperatuurbereik:-20°C tot 60°C
Afmetingen:Zie producttekeningen voor specifieke afmetingen




















